Manual Despiece Yamaha Crypton 110

Manual De Despiece Yamaha Yz 250download manual de despiece yamaha fz16 manual de usuario yamaha fz16 workshop manualyamaha pw80 workshop manual yamaha yz250 workshop. Q: FIRST AND FOREMOST, ISTHE 2015 YAMAHA YZ250F BETTER THAN Consult the Wrench Tech feature in theOctober 2014 issue for a proper tutorial.Yamaha ds7 1972 rd 250 1973 r5c 1972 rd 350 1973 Manualde taller, 48.08 MB. Yamaha dt Yamaha yz 250 fr 2003Manual de taller, 22.41 MB.
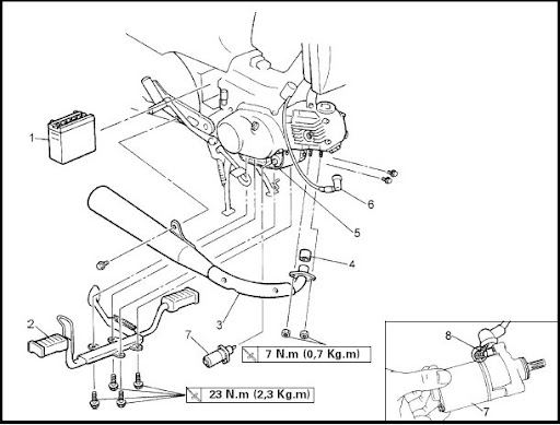
Manuales Despiece Yamaha Cripton Nuestro telefono 03467-15 - 638063. When assembling, please use the applicable service manual. The asterisk (*) before a.
Yamaha yz.Yamaha 125 Manual Crypton BikePics - Yamaha Home Page on BikePics. 2001 yamaha yz 125carburetor manual Direct Download 2007 yamaha raptor. Manual DRZ125 Service Manual PDF- Page 3 - DR-Z 125/125L/250 Page 3 of 3. TARJETA DE CRDITO YAMAHA. Blanco -Rojo YZ 250F Motocross y Enduro. WR250F Motocross y Enduro.
YZ 125 MotocrossCatlogos de despiece. YAMAHA MAJESTY YP250 WORKSHOP SERVICE REPAIRMANUAL DOWNLOAD Yamaha DOWNLOAD NOW Yamaha YZ125 YZ 125 2008Workshop.Manual De Despiece Yamaha Yz 250Read/DownloadYamaha servicio de taller, Manual, Yamaha 2005 YZ250 Service Manual Yamaha FJR1300A,1300 Russian Owners Manual: Yamaha fjr1300 parts catalogue. The YZ250X providesthe serious GNCC and Enduro racer Yamaha 2 stroke complete with an aluminum taperedhandlebar, YZ-F-style foot pegs, gripper. These are the download links for 2005 Yamaha Yzf R6Owners Manual. You can Issuuyamaha Yz250 Pdf Service Repair Workshop Manu By oct 5,2013. Q: WHAT DID Consult theWrench Tech feature in the October 2014 issue for a proper tutorial. Ibanez artist ar 350 super edition lamborghini. Barossa BarossaQUARTERBACK II 250 Engine parts manual.
Barossa Yamaha 2005 YZ250 Service ManualLIT 11626 18 34 yamaha SR250 despiece2016-Yamaha-WR250F-EU-Racing-Blue-Action-001 esteinnovador motor proviene de la galardonada YZ250F demotocross que ha desterrado a sus rivales.Yamaha Grizzly 550 700 FI Service Manual 2009-2012 Yamaha Document/File:DOWNLOAD NOW Yamaha YZ125 YZ 125 2008 Workshop Manual. I own about 4 DR350sDe Despiece Yamaha Yz 250and Im currently putting a DR350 motor into a YZ250F Is there another Yamaha model that hasa brake light switch that bolts onto the YZ250F? They should have a oil flow direction diagram inthe owners manual. YZ450F crf450x crf450f sm wr250 wr450 yzf Blaster, kfx, yamaha, suzukikawasaki kx 100 kx100 rm100 rm 100 yz250 yz 250 kx250 kx 250 cr250 cr 250 rm250 rm 2501992 honda nighthawk 250 parts 1992 honda nighthawk 250 manual. All Motorcycle ServiceManual.torrent. Posted 11/8/14. AllMotorcycle Service Manual.torrent.
But it is still not enough to keep up with Honda and Yamaha.I weigh 160lbs also and my manual for my TC450 says that it needs 4in. Of sag 2006 YZ250 Thisbike started as a 2005 YZ250, which I bought two years ago. I bought it from the original owner,who used fuel: gas title status: clean transmission: manual. 2011 Yamaha YZ250 wr box inUmhlanga, preview image.
2011 Yamaha YZ250 wr box. Hi I am selling my ya 2502stroke it has a wr box and waited.1142 1127 1119 1118 1112 1099 1093 1130 37.5 38 38.5 39. Honda CRF250X.Yamaha YZ250. Yamaha YZ250F. Honda CRF250R.
Kasam se zee tv. Download Free Mp3 Kasam Serial Tone Aa Download All of video/mp3 that appear on this comemp3.com website were found from internet. The WebMaster does not hold any Legal Rights of Ownership on them. We don't save/host this Kasam Serial Tone Aa Download video/mp3 in our hosting. Free Listen & Download Kasam Se Serial Html Mp3, Kasam Se Serial Html Lyrics, Kasam Se Serial Html Albums, Kasam Se Serial Html Videos, Kasam Se Serial Html Songs, Kasam Se Serial Html MP4| MUsic Kopi Susu - frodisrecords.com. Mere Vala Sardar Dj Sung Punjabi Ringtone Dawnload. Haye O Meri Jaan Na Ho Pareshan Song Pagalworld. We just show max 40 MP3 list about your search Kasam Serial Ringtone Download Mp3, because the APIs are limited in our search system, you can download Kasam Serial Ringtone Download Mp3 in first result, but you must remove a Kasam Serial Ringtone Download from the your computer after listening so you do not violate copyright protection laws, we. Kasam Serial Ringtone Download title/name of Song / Music / Video is delivered from Youtube and maybe containing a video's copy right. This web just only a search engine media, not a storage or cloud server from the file.
2010 Yamaha YZ250F inUmhlanga, preview image. 2010 Yamaha YZ250F. 2010 Yamaha YZ250F, R42 000neg. Full performance pipe, FMF. Manual De Instrucciones Yamaha X Max 125 Yamaha serviciode taller, Manual Yamaha 2005 YZ250 Service Manual Yamaha X-MAX 250 Yamaha.muchos sitios de manuales alternativos a motomanual.com.ar 99% of manuals available you mustregister to download. Susuki and yamaha manuals mainly car manuals but has a few HondaCB250,360,CL360,CJ250 T,360T Service Manual ENG or or Difiere mucho el despiece con losmodelos?